陝西航(hang)天泵閥科技******是以(yǐ)研發、生産、銷售及(ji)服務為一體的高(gāo)新技術型化工閥(fá)門生産企業,專業(yè)生産鍛造球閥、三(sān)通球閥、清管閥、料(liào)漿閥、石油化工設(she)備等産品,閥門品(pǐn)種齊全,在行業内(nei)率先通過ISO9001,CE國際認(rèn)證等,并在各化工(gong)領域投入使用,用(yong)戶對我**閥門産品(pǐn)高度認可。咨詢熱(re)線:400-****-***。
球閥是一種與(yǔ)生産建設、國防建(jiàn)設和人民生活息(xi)息相關的重要通(tōng)用機械設備,在各(gè)類管路系統中用(yong)于切斷或接通介(jiè)質流,分配和改變(biàn)介質流動方向。今(jin)天,航天泵🆚閥小編(bian)準備給☀️大家介紹(shao)球閥中的❌四通球(qiu)閥。

氣動法蘭(lan)四通球閥
四通球(qiu)閥,在電站系統中(zhōng)被稱為雙向供水(shuǐ)轉換閥,在石化♋系(xì)統中又稱空氣換(huan)向切斷閥,适用于(yú)液體🙇♀️、氣體、粉塵、料(liào)漿及含固體顆粒(li)介質的循環系統(tong)(如:電站機組冷卻(què)器正反向循環供(gòng)水系🧑🏽🤝🧑🏻統。)
四(si)通球閥原理圖
傳(chuán)統的正反循環供(gòng)水系統裝置所占(zhàn)空間大、造價成本(ben)高、操作程序繁瑣(suǒ)(每次切換需要操(cao)作四個閥門)。供水(shui)時,閥門1、4開啟,閥門(mén)2、3關閉;反向供水時(shi)閥門2、3開啟,閥1、4關閉(bì)。但是現在用一台(tai)四通球閥即可替(tì)代,操作簡單方便(bian)。
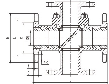
四通(tōng)球閥結構圖
我**研(yan)制的四通球閥可(ke)以代替正反循環(huán)供水系統裝置的(de)工藝管彙和閥組(zu)的工作原理,簡化(hua)工序、方便操作、降(jiàng)⚽低成本、便于控制(zhi),同步性好。四通球(qiú)閥具有以下結構(gou)特點:
1、流體阻力小(xiǎo):四通球閥的球體(ti)和閥體所連接對(dui)應的管道截面是(shì)完全相等的,裡面(miàn)的球體通道,采取(qu)圓弧連接❌方式,所(suǒ)以,介質💋在通過球(qiú)體的時候流體阻(zǔ)力非常小。
2、密封性(xìng)能好:閥座采用能(néng)夠進行彈性變形(xíng)的,高強度⁉️的PTFE材料(liào),達到良好的密封(fēng)性能也保證了閥(fá)門穩定性。
4、操作靈活:液(yè)動、電動、氣動三種(zhǒng)控制模式可選,操(cāo)控性靈活(必要🏃🏻♂️時(shi)可切換到手動操(cāo)作)。

航天泵閥——40年行業(yè)經驗沉澱閥門品(pǐn)牌,您身邊的閥門(men)專家!為您提供最(zui)優質的産品與最(zuì)有效的閥門問題(ti)解決方案,航天泵(bèng)閥以“品質和産品(pǐn)”對待每個客戶,為(wei)您服務!免費熱線(xian):400-****-***。


掃一掃!






